Three Phase Full Controlled Bridge Rectifier Manufacturer Supplier top, fully controlled bridge rectifier Download Scientific Diagram top, What is the difference between controlled rectifier and AC voltage top, Solved A three phase fully controlled bridge rectifier is Chegg top, PSBH25 12 Single Phase Half Controlled Bridge 25 Amp 1200V top, Greegoo SSR thyristor diode modules phase control thyristor top, converter Average output voltage of a fully controlled full wave top, Greegoo SSR thyristor diode modules phase control thyristor top, Solved For the single phase fully controlled rectifier sh top, Solved In a single phase half controlled bridge rectifier Chegg top, Greegoo SSR thyristor diode modules phase control thyristor top, Single Phase Half Full Controlled Bridge Rectifier at Rs 14500 top, Solved A single phase fully controlled bridge rectifier Chegg top, Controlled Rectifiers top, Three phase half controlled bridge circuit General features top, Single phase half semi controlled bridge rectifier as linear top, OPERATION OF A 3 PHASE FULLY CONTROLLED RECTIFIER top, The Silicon Controlled Rectifier SCR Thyristors Electronics top, Arduino 220V Full Wave Controlled Bridge Rectifier Simple Circuit top, Fully controlled bridge rectifier. Download Scientific Diagram top, What is a Rectifier Types of Rectifiers and their Operation top, Rectification of a Three Phase Supply using Diodes top, Shows the circuit diagram of a single phase half controlled bridge top, Controlled Bridge an overview ScienceDirect Topics top, Rectification of a Single Phase Supply top, Fully controlled Thyristor bridge rectifier Download Scientific top, Single phase fully controlled bridge rectifier with R load YouTube top, Bridge Rectifier Circuit Diagram Types Working Its Applications top, Controlled Rectifiers top, Controlled Rectifiers top, Controlled bridge rectifier with Arduino Simple Circuit top, Single Phase Full Wave Controlled Rectifier with R Load Power Electronics Lecture 43 top, Full wave controlled bridge rectifier and the RMS voltage top, Single phase fully controlled bridge rectifier. Download top, Rectification of a Single Phase Supply top, Product Info: Controlled bridge rectifier top
.
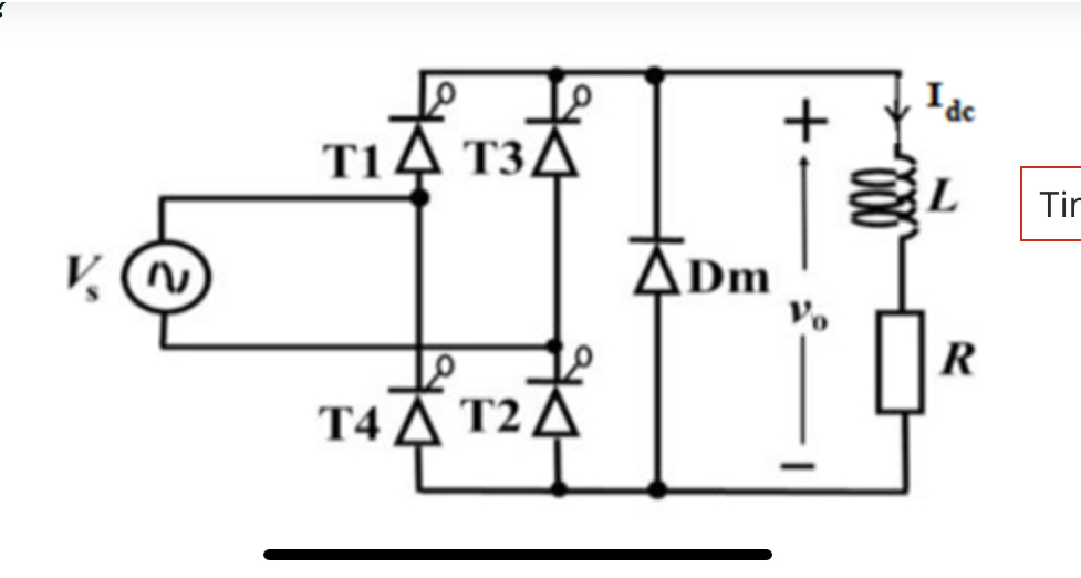
Controlled bridge rectifier top