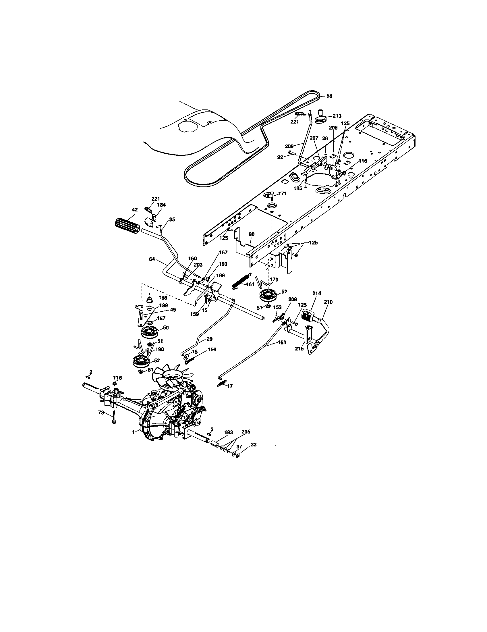
Official Craftsman 917370441 gas lawn mower parts Sears PartsDirect top, Craftsman 917.259556 Lawn Mower Garden Tractor Owners Operators top, Sears Craftsman Lawn Mower Model 917.376290 Owner s Manual PARTS top, Sears Craftsman Repair Parts Manual Model No. 944.363200 PartsBay top, LAWN MOWER DRIVE Belt Transfer Craftsman Tractor Parts Model 917 top, Craftsman 247.288890 13AX79ST299 Craftsman LT2500 Lawn Tractor top, Sears Craftsman 15.5 h.p. 42 6 sp Lawn Tractor Ghana Ubuy top, ORAEVY 532183281 183281 Lawn Mower Engine Zone Control Cable top, 944.365770 Manual for Craftsman 5.5 HP 21 top, 42 top, Operator Parts Manual Sears Craftsman GT 18HP Lawn Mower 44 Inch top, Craftsman Tractor Parts Manual 944.607451 top, Craftsman Self Propelled Lawn Mower Model 12AVU2BZ793 MTD Parts top, Shop Parts CRAFTSMAN CRAFTSMAN top, prime swift 183281 532183281 Lawn Mower Engine Zone Ghana Ubuy top, Official Craftsman 917276680 front engine lawn tractor parts top, CRAFTSMAN 917.25591 OWNER S MANUAL Pdf Download ManualsLib top, Amazon Kuupo 183821 532183281 Cable for Husqvarna Poulan top, MTD 13AP79XT099 247.203791 T1900 2015 Parts Diagram for top, Craftsman lawn mower parts Manual 944.361240 top, Craftsman Lawn Mower Parts Model 917 top, Sears Craftsman Repair Parts Manual Model No. 944.361150 PartsBay top, Craftsman Sears 6.75hp 22 Walk Behind Lawn Mower Owner Parts top, Parts New Sears Craftsman LT1000 42 top, 944.367432 Manual for Craftsman 21 top, Official Craftsman 917271140 front engine lawn tractor parts top, OP Parts Manual Craftsman 917.272463 21.5HP 42 Mower E Start top, Husqvarna 917.375810 2006 05 Parts Diagram for Handle Deck top, Sears Craftsman Repair Parts Manual Model No. 944.360310 PartsBay top, CRAFTSMAN TRACTOR Parts Model 917287070 Sears PartsDirect top, Sears Craftsman LT2000 17.5 hp 42 6sp Lawn Mower Tractor Parts Manual 917.287030 top, 16 Best Craftsman lawn mower parts ideas craftsman lawn mower top, Craftsman 917378921 Gas Walk Behind Lawn Mower top, Craftsman 917377151 Lawn Mower eReplacementParts top, CRAFTSMAN 917.382770 PARTS LIST Pdf Download ManualsLib top, Product Info: Parts for craftsman model 917 top
.
Parts for craftsman model 917 top